PROIECTE 2011
Proiectele realizate in cadrul Laboratorului de SMP, 2011, le gasiti mai jos, Fiecare echipa are de completat in pagina WIKI corespunzatoare proiectului sau capitolele existente.
Punctaj Proiect
-
2p Pagina Wiki in format HTML cu capitolele create - poze(diferite stadii ale proiectului) + schema hardware + listing software (microcontroller + OpenWatcom la Z3)
-
5p Functionalitate proiect - punctaj in functie de cerintele cerute/realizate
-
1p Calitatea proiectului - cat de organizati ati fost in realizarea acestuia, cod format frumos, optimizari etc...
-
2p Nota individuala - participarea voastra in proiect, raspunsul vostru la intrebarile laborantului la presentarea proiectului
Cerinte general valabile:
- Toate proiectele se vor integra software si/sau hardware cu placa EV/Z3. Pentru integrarea hardware se va folosi portul serial al placii EV/Z3
- Logica software de baza se va regasi pe placa EV/Z3 si va fi realizata în C + inline assembly folosind template-ul OpenWatcom de la laborator
- Pagina de wiki trebuie sa contina o descriere a ce a realizat fiecare student in cadrul proiectului
- Daca nu puneti pe site alta schema de proiectare hardware se va folosi cea cu PIC16F628A pusa la dispozitie
- Wiki-ul trebuie updat ca sa vad stadii intermediare ale proiectului
Elemente de electronica
-
Pentru a vedea/comanda un pret estimativ a componentelor va propun www.conexelectronic.ro . Mi-a fost recomandat si mie de ceilalti laboranti.
-
Pentru conectarea la porturile de I/O trebuie sa izolati galvanic folosind optocuploare, ex LTV817 - puteti sa cautati pe site, si rezistente sa limiteze curentul maxim la 5mA U=R*I si trebuie avut in vedere ca rezistentele sa reziste la puterea la care e proiectat circuitul P=U*I...
-
Pentru alte elemente elecronice puteti folosi diode 1N4007, tranzistori BD139/140 de putere mare. Binenteles ca nu sunteti limitati la folosirea acestora, e doar o propunere.
-
Letconul ar trebui sa aiba cam 40W , nu mai mult de 60 oricum , iar fludorul la 1mm-1.5mm. Sa aveti si un voltmetru cu voi.
-
Va recomand inainte sa alegeti proiectul sa cititi cateva elemente de electronica de AICI.
2011_P19
(Restore this version)
Modified: 2 April 2010, 10:21 PM User: Fireteanu Vlad → FV
PROJECT NAME
Project Description
Proiectul in sine consta in construirea unui dispozitiv ce are capacitatea de a se deplasa atat inainte si inapoi,cat si stanga,respectiv dreapta(acest lucru este posibil prin integrarea a doua motoare,dispunerea acestora fiind doar un simplu exemplu de intuitie inginereasca).
Project Requirements
Veti folosi placa cu PIC16F628. O sa aveti un motor legat la 2 roti.***Am optat pentru alegerea a doua motoare(respectiv 4 roti) pentru a acoperi toate sensurile de deplasare impuse.
Cu ajutorul butoanelor de pe tastatura Z3,vom seta directia dorita(trimitere prin portul serial).Pentru modelarea circuitului s-a folosit simulatorul Proteus.
User Flow
Descriere cum poate un utilizator sa foloseasca proiectul. Pasii necesari pentru a-l pune in functiune. Elemente generale pe care le puneti la dispozitie unui utilizator.
Sectiunea aceasta va fi completata cu screenshot-uri ale proiectului vostru in functiune - frumos ar fi un film pe youtube.
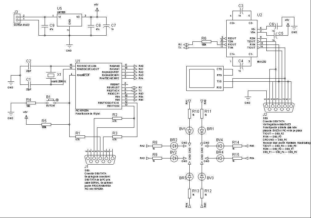
Required components
Lista de componente:
|
Cod Schema |
Cod Piesa (de cumparat) |
|
R1-R3 |
3x RW25CF 4.7K (250 mW) |
|
R4 |
1x RW25CF 100R (250 mW) |
|
R5-R6 |
2x RW25CF 100K (250 mW) |
|
C1-C2 |
2x CML 22pF 50V C0G |
|
C3-C7 |
5x CE 1.0uF 63V 105C |
|
C8-C9 |
2x CML 47nF 50V Y5V P2.5 |
|
B1 |
1x TS-06E (TS-3) |
|
X1 |
1x Q20.000 MHz HC-49S |
|
PIC16F628A |
1x PIC16F628A-I/P |
|
MAX232 |
1x MAX232N |
|
LM7805 |
1x 7805 |
|
soclu 18 pini pt PIC+MAX |
2x LC18 |
|
placa test 50x100 pastile |
1x placa test 50x100 |
Schema Proteus

Pe langa aceastea,am folosit pentru asamblarea fizica un cablu UTP(suport pentru conexiuni),un letcon de 40W(+fludor),iar pentru verificare un multimetru.
Software Design
Descrierea codului aplicaţiei din punct de vedere software. Va include listing despre partea importanta a codului, algoritmi folositi. In caz ca folositi si un uC la placa secundara
codul pentru aceia. Se va adauga si modalitatea de compilare, ce IDE(Proteus, AVR Studio, Open Watcom) ati folosit in compilare
Results
O imagine de ansamblu a cum functioneaza proiectul, screenshoturi, filmulete cu proiectul functionand. Alte detalii care le credeti importante.
Download
Arhiva cu schema hardware + cod microcontroller + tot proiectul OpenWatcom.
Arhiva va contine 2 directoare (1 singur pentru proiecte doar software)
Hardware design - schema uC + codul folosit pentru a genera fisierul .HEX
Software design - template-ul Open Watcom folosit
Status
O pagina in care sa updatati saptamanal cum stati cu proiectul. Sa spuneti ziua in care ati realizat diferite componente
Eg
16 Aprilie- Discutie initiala referitoare la planul de lucru +definitivare premise+conturare cerinte
17 Aprilie - Conturarea unei imagini de ansamblu a proiectului in sine
21 Aprilie-28 Aprilie-Documentare asupra proiectului
28 Aprilie-Achizitionare a componentelor de baza
29 Aprilie-Lipire componente placuta

30 Aprilie-Lipire componente placuta

1 Mai-Lipire componente placuta

3 Mai-Prezentare placuta in stadiu intermediar in cadrul laboratorului in scopul verificarii
4 Mai-Cumparare componente aditionale si schimbare condesatori